Pallet fork 5 tonnes hydraulic, large BM, 1500 mm
5 tonnes hydraulic pallet fork with large BM. Robust frame and wide load-bearing surfaces.
                Product no. 16-PH502015
            
        Hydraulic pallet fork with forged forks made of powerful material
• Max. load 5 tonnes
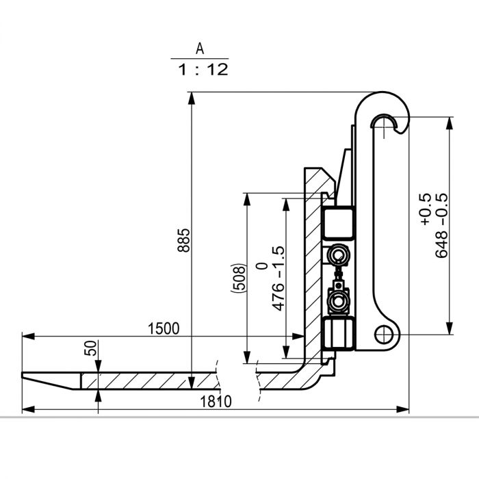
• Frame width 200 cm
• Frame height 89 cm
• Pallet fork width 12.5 cm
• Pallet fork length 150 cm
Extra-powerful pallet fork with robust frame. The forks on the pallet fork are forged and made of powerful material with wide load-bearing surfaces. The forks on the pallet fork can be separated by up to 195 cm.
The hydraulic pallet fork requires a double-acting outlet on the tractor.
The pallet fork is supplied with two hydraulic ½ inch quick-coupling male hoses and large BM attachment.
The photo shows an 8 tonnes hydraulic pallet fork.
 
                 
                 
                